Tổng quan về quy trình SIP trong thiết bị lên men
Views: 70
Quy trình SIP trong thiết bị lên men là một bước quan trọng đảm bảo hiệu quả và an toàn trong các quá trình sinh học. Việc áp dụng đúng quy trình này không chỉ giúp loại bỏ vi sinh vật gây nhiễm mà còn duy trì chất lượng sản phẩm đầu ra. Trong bài viết này, chúng ta sẽ đi sâu tìm hiểu các bước, nguyên lý và tầm quan trọng của quy trình SIP, đặc biệt đối với những ai làm việc với thiết bị lên men trong ngành công nghiệp sinh học và dược phẩm.

Nguyên lý cơ bản của quy trình SIP trong thiết bị lên men
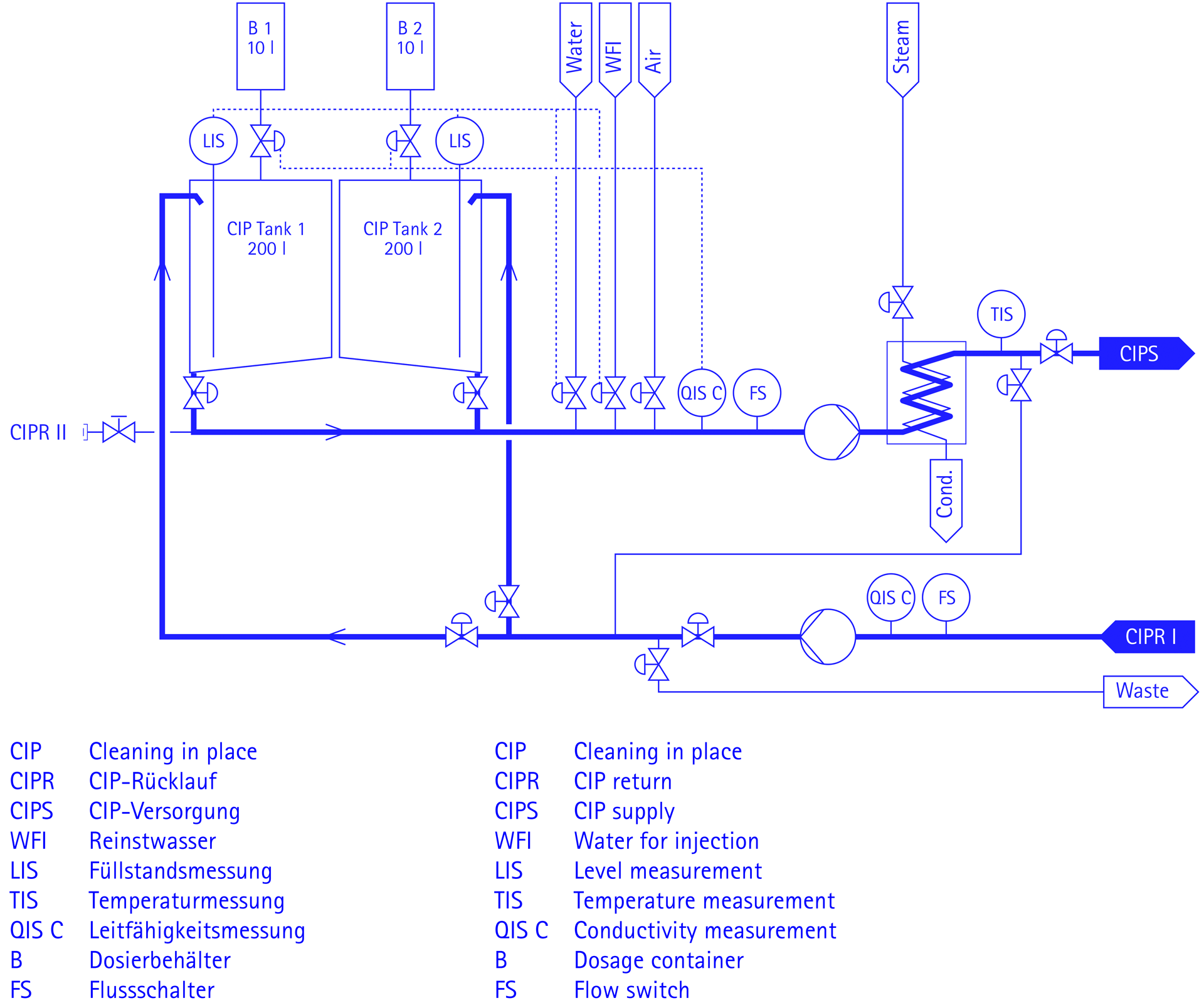
Quy trình SIP trong thiết bị lên men (Sterilization In Place) được thiết kế để tiệt trùng toàn bộ hệ thống mà không cần tháo rời các bộ phận. Điều này mang lại hiệu quả vượt trội so với các phương pháp tiệt trùng truyền thống, đồng thời giảm thiểu nguy cơ nhiễm chéo và thất thoát sản phẩm.
Nguyên lý nhiệt trong SIP
Một trong những phương pháp phổ biến trong SIP là sử dụng hơi nước ở nhiệt độ cao để tiệt trùng. Hơi nước bão hòa giúp tiêu diệt vi sinh vật mà không làm hư hại vật liệu thiết bị lên men. Quá trình này thường được kiểm soát thông qua các cảm biến nhiệt và áp suất để đảm bảo toàn bộ hệ thống đạt đủ điều kiện tiệt trùng.
Sự quan trọng của thời gian và áp suất
Thời gian và áp suất trong quy trình SIP trong thiết bị lên men đóng vai trò quyết định đến hiệu quả tiệt trùng. Một áp suất không đủ hoặc thời gian quá ngắn có thể dẫn đến nhiễm khuẩn trong thiết bị. Ngược lại, áp suất và nhiệt độ quá cao có thể làm hỏng các bộ phận nhạy cảm. Do đó, việc kiểm soát chính xác các thông số này là yếu tố then chốt.
Các bước thực hiện quy trình SIP chuẩn
Để quy trình SIP trong thiết bị lên men đạt hiệu quả tối ưu, cần tuân thủ các bước cơ bản dưới đây. Mỗi bước đều có mục tiêu rõ ràng, đảm bảo loại bỏ hoàn toàn vi sinh vật gây hại.

Chuẩn bị thiết bị trước khi SIP
Trước khi tiến hành tiệt trùng, thiết bị lên men cần được vệ sinh sơ bộ, loại bỏ cặn bã và các chất thải còn sót lại từ quá trình lên men trước. Việc này giúp hơi nước hoặc chất tiệt trùng tiếp xúc trực tiếp với bề mặt thiết bị, tăng hiệu quả diệt khuẩn. Đồng thời, cần kiểm tra các van, đường ống và cảm biến để đảm bảo chúng hoạt động bình thường trong điều kiện áp suất và nhiệt độ cao.
Tiến hành tiệt trùng bằng hơi nước
Trong bước này, thiết bị được bơm hơi nước bão hòa vào toàn bộ hệ thống. Thời gian và nhiệt độ cần được tính toán chính xác dựa trên thể tích và loại vật liệu của thiết bị. Quá trình này giúp tiêu diệt hoàn toàn các vi sinh vật, kể cả bào tử khó tiêu diệt. Đây cũng là bước quan trọng nhất trong quy trình SIP, ảnh hưởng trực tiếp đến chất lượng sản phẩm đầu ra.
Làm mát và xả hơi
Sau khi tiệt trùng, thiết bị cần được làm mát từ từ để tránh sốc nhiệt, gây hỏng van hoặc các bộ phận nhạy cảm. Đồng thời, hơi nước và các chất còn dư trong hệ thống cần được xả ra an toàn. Giai đoạn này cũng giúp kiểm tra xem toàn bộ hệ thống có bị rò rỉ hay có điểm không đạt chuẩn không, từ đó đảm bảo thiết bị lên men sẵn sàng cho lần sản xuất tiếp theo.
Kiểm tra hiệu quả SIP
Một phần quan trọng không thể bỏ qua là kiểm tra hiệu quả quy trình SIP. Thường sử dụng các chỉ thị sinh học hoặc cảm biến để xác nhận rằng toàn bộ vi sinh vật đã bị loại bỏ. Đối với các nhà sản xuất chuyên nghiệp, việc ghi lại dữ liệu và báo cáo quá trình tiệt trùng là bắt buộc để đảm bảo tuân thủ tiêu chuẩn chất lượng.
Tầm quan trọng của SIP đối với sản xuất công nghiệp
Quy trình SIP (Sterilization in Place) trong thiết bị lên men không chỉ là một yêu cầu kỹ thuật mà còn đóng vai trò then chốt trong việc đảm bảo chất lượng sản phẩm và an toàn sản xuất. Nhờ SIP, các nhà sản xuất có thể tiệt trùng toàn bộ thiết bị mà không cần tháo rời, giúp giảm thời gian chết máy, tăng hiệu suất vận hành và duy trì môi trường vô trùng liên tục.
Trong ngành dược phẩm, SIP giúp kiểm soát nhiễm khuẩn, bảo đảm thiết bị lên men không chứa vi sinh vật gây hại, từ đó duy trì chất lượng và độ tinh khiết của sản phẩm. Nhiều thương hiệu lớn như MT cũng ứng dụng quy trình này để đảm bảo tính nhất quán và an toàn cho các lô sản xuất. Ngành thực phẩm và công nghệ sinh học cũng dựa vào SIP để nâng cao chất lượng, kéo dài hạn sử dụng sản phẩm.

Quy trình SIP trong thiết bị lên men đóng vai trò then chốt trong việc đảm bảo chất lượng, hiệu quả và an toàn sản xuất. Từ nguyên lý nhiệt, kiểm soát thời gian và áp suất, đến việc chuẩn bị và kiểm tra thiết bị, mỗi bước đều góp phần quan trọng vào thành công của quá trình lên men. Việc ứng dụng SIP không chỉ giúp loại bỏ vi sinh vật gây hại mà còn tối ưu hóa vận hành và nâng cao giá trị sản phẩm, đặc biệt trong các ngành dược phẩm, thực phẩm và sinh học.
Xem thêm: Giai đoạn xử lý hạ nguồn trong bioreactor như thế nào
